26 травня 1939 року вперше піднявся у повітря прототип німецького штурмовика «Хеншель» Hs-129, який можна назвати аналогом радянського «літаючого танка» Іл-2. Правда, Іл згодом було випущено у 36 тисячах екземплярів, а «Хеншелів» побудували в 40 разів менше — всього 878 штук, включаючи 12 дослідних і передсерійних екземплярів, що не потрапили на фронт.
На цьому відмінності не закінчуються. Головне полягало в тому, що «Хеншель» був двомоторним літаком, здатним за потреби летіти на одному двигуні, а це підвищувало бойову живучість. Усе озброєння «Хеншеля» було розміщене в фюзеляжі, а не в крилі, як у Іл-2, що забезпечувало вищу точність і кучність вогню. Крім того, «Хеншель» до кінця серійного випуску зберігав свою одномісну концепцію. Німці навіть не думали про те, щоб посадити в нього стрілка.
Однак, незважаючи на те, що Hs-129 і Іл-2 абсолютно не схожі один на одного, схожостей між ними чимало. В обох машин двигуни, паливні баки і кабіни були закриті бронею, правда, у «Хеншеля» бронекапоти прикривали мотори лише знизу. При цьому в жертву захищеності було принесено огляд і зручність для пілота. Кабіна «Хеншеля» вийшла настільки тісною, що приціл і частина приладів у ній не помістилися й їх довелося монтувати зовні. Приціл — перед лобовим склом, у спеціальному бронекожусі, а прилади контролю за роботою двигунів — прямо на мотогондолах.
Огляд назад у «Хеншеля» був практично нульовий, якщо не рахувати майже марного маленького дзеркальця заднього виду, укріпленого над кабіною. Таким же «напівсліпим» був і одномісний Іл-2, правда, введення до складу екіпажу стрілка відчасти вирішило цю проблему. Ще одна схожість між машинами — їх слабка горизонтальна маневреність і нездатність до пікрування, що знижувало ефективність застосування озброєння. Граничний кут пікрування Hs-129, як і Іл-2, становив усього 30 градусів.
Німці усвідомлювали недоліки «Хеншеля», однак потреба в протитанковому штурмовику змушувала їх виробляти цей літак до вересня 1944 року, правда, у відносно невеликих кількостях, в середньому — по 30–40 літаків на місяць. Намагавшись підвищити ефективність Hs-129, вони оснастили його 30-міліметровою гарматою в підфюзеляжному контейнері, здатною успішно боротися з легкими танками і навіть — з Т-34, але лише — при стрільбі ззаду, по моторному відсіку.
Потім калібр підвісної гармати збільшили до 37 мм і нарешті — до 75 мм. Утворена «літаюча самохідка» пробивала броню будь-яких радянських танків на дистанції до 1000 м, але тактико-технічні характеристики й керованість літака впали настільки, що його бойове застосування стало проблематичним. У підсумку штурмовиків із такими гарматами, прозваних «Büchsenöffner» (консервний ніж), зробили всього 25 штук. На фронт вони потрапили влітку 1944 року і, як кажуть, погоди не зробили.
Взагалі, досвід створення броньованого штурмовика в Німеччині не можна вважати вдалим. Судячи з усього, порочною виявилася сама концепція «літаючого танка», незалежно від способу її втілення, оскільки від важкої броні на борту відносно невеликого літака було більше шкоди, ніж користі.
Чертежі Hs-129 із підвісною 30-міліметровою автоматичною гарматою MK.101. Стандартне (вбудоване) озброєння машини складалося з двох 20-мм гармат MG.151-20 і двох кулеметів гвинтівочного калібру.
Hs-129 на випробуваннях.
Пілоти Hs-129 у кабінах своїх машин. На лівому знімку добре видно коліматорний приціл Revi перед лобовим бронестклом. До бронекоробки прицілу приварені сталеві пластини, що показують пілоту кути наведення на ціль.
Техніки заряджають гармату MK.101. При обслуговуванні ця гармата разом із лафетом і патронною коробкою відкидалася на шарнірах. Зверніть увагу, що у лівому верхньому куті видно прилади, укріплені на мотогондолі.
MK.101 крупним планом.
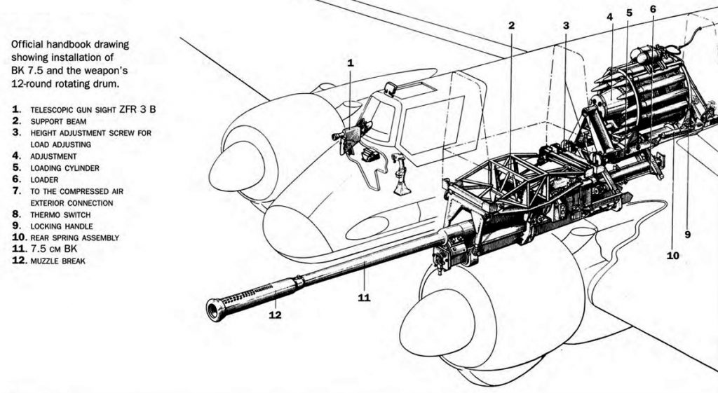
Схема розміщення на штурмовику 75-міліметрової гармати VK-7,5. Її боєкомплект складався всього з 12 бронебійних снарядів у барабанному магазині. Маса установки з лафетом і боєзапасом сягала півтонни.
Зверху вниз:
Hs-129 з штурмової авіагрупи Sch.G 2, аеродром Кастелло-Бенито, Лівія, 1943 р.
Румунський Hs-129 (румуни отримали від німців 60 таких машин), збитий над Україною на початку 1944 року.
Hs-129, збитий радянською ППО в районі Константинівки 23 травня 1942 року.
Hs-129 лейтенанта Вальтера Краузе з авіагрупи Sch.G 1, аеродром Проскурів, березень 1944 р.
Американці в Тунісі оглядають Hs-129, що здійснив вимушену посадку.
Hs-129, збитий у районі Сталінграда взимку 1942–43 років.
Збитий «румун», кольорова проекція цієї машини з номером 327 і черепом на хвості розміщена вище.









